PlanarDL Zweiachsiger, mechanisch gelagerter, direkt angetriebener Lineartisch
Unsere Tische der PlanarDL-Serie bieten hervorragende geometrische und dynamische Leistung in einem kompakten, flachen Gehäuse. Eine Vielzahl von Verfahrwegen und Leistungsoptionen machen diesen Tisch ideal für Anwendungen, die von der Oberflächenprofilometrie bis zum LED-Wafer-Scribing reichen.
Description
Specifications
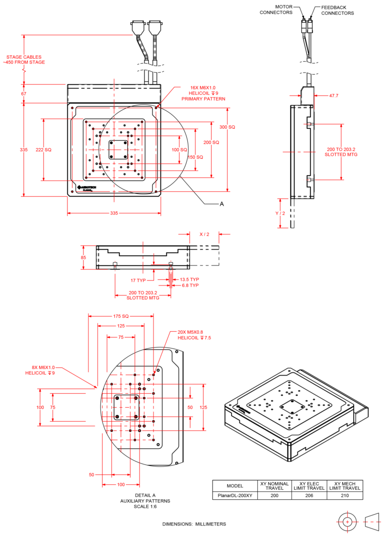
Dimensions
Ordering Info
Downloads
Description
Description
Specifications
Dimensions
Ordering Info
Downloads
Description
Gestaltungsmerkmale
- Integrierter, flacher XY-Linearmotortisch
- Exzellente geometrische Leistung (Geradheit bis ±0,4 µm; Ebenheit bis ±1 µm)
- Kriechschutz, Präzisions-Kreuzrollenlager
- Große Auswahl - neun Modelle in Hub und Genauigkeit
Überlegenes Tischdesign
Das PlanarDL XY-Design ermöglicht eine branchenführende planare geometrische Leistung in Anwendungen, bei denen Geradheit und Ebenheit der Bewegung entscheidend sind. Hochpräzise Anti-Kriech-Kreuzrollenlager, präzisionsgefertigte Oberflächen und Aerotech-Linearmotoren, die durch das Steifigkeitszentrum der Achsen fahren, ergeben einen Positioniertisch mit außergewöhnlichen geometrischen Toleranzen.
Die PlanarDL Strukturelemente sind auf hohe Dynamik und hohe Steifigkeit für anspruchsvollste dynamische Anwendungen optimiert. Das PlanarDL kann Geschwindigkeiten von 1 m/s und Beschleunigungen von 1,5 g erreichen und ermöglicht eine hochpräzise Verarbeitung mit hohem Durchsatz, was zu einer überlegenen Prozessausbeute und niedrigen Gesamtkosten führt. Im Gegensatz zu Wettbewerbsprodukten, die mit Umlauflagern arbeiten, ermöglichen die bei diesem Design verwendeten Anti-Kriech-Kreuzrollenlager eine gleichmäßige Bewegung, was diesen Tisch zu einer idealen Lösung für anspruchsvolle Scan-Anwendungen macht.
Berührungslose Direkt-Antriebstechnik
Nur die berührungslose Direktantriebstechnologie bietet eine schnelle und genaue Positionierung bei gleichzeitig wartungsfreiem Betrieb und langer Lebensdauer. Das Herzstück des PlanarDL ist die von Aerotech entwickelte Direktantriebstechnologie. Diese Antriebstechnologie ermöglicht eine unübertroffene Leistung im Vergleich zu anderen schraubenbasierten und Linearmotor-Konstruktionen des Wettbewerbs.
Die Tische PlanarDL-200XY und -300XY sind beide mit einem oder zwei Motoren pro Achse erhältlich, was eine Optimierung jeder einzelnen Achse für die spezifische Anwendung und den Prozess ermöglicht. Unabhängig von der Anzahl der gewählten Motoren wirkt die resultierende Antriebskraft über die Reibungs- und Steifigkeitszentren, was zu einer überlegenen geometrischen Leistung und Genauigkeit führt.
Integriertes Kabelmanagement
Das Kabelmanagementsystem des PlanarDL ist in den Tisch integriert und für eine lange Lebensdauer und Leistung optimiert. Weitere Standardoptionen sind für zusätzliche Servoachsen oder Luft-/Vakuumleitungen für Vakuumfutter oder andere Prozesspneumatik erhältlich.
Extreme Positionierleistung
Die PlanarDL ist in drei Optionen für die Positionierleistung erhältlich. Basierend auf jahrzehntelanger Erfahrung in der Systementwicklung, die nicht nur die Positioniermechanik, sondern auch Software und Elektronik umfasst, hat Aerotech fortschrittliche Technologien entwickelt, um die Grenzen der Präzision zu erweitern. Die Hochleistungsoptionen -PLUS und -ULTRA ermöglichen Genauigkeiten und Geradheitswerte bis zu ±400 nm und Orthogonalität bis zu 1 Bogensekunde.
Ordering Information
PlanarDL Two Axis Mechanical-Bearing Direct-Drive Linear Stage
| Option | Description |
| PlanarDL-100XY | Two axis mechanical-bearing direct-drive linear stage, 100 x 100 mm travel |
| PlanarDL-200XY | Two axis mechanical-bearing direct-drive linear stage, 200 x 200 mm travel |
| PlanarDL-300XY | Two axis mechanical-bearing direct-drive linear stage, 300 x 300 mm travel |
Motor (Required) - Not Applicable for PlanarDL-100XY
| Option | Description |
| -M1 | 1 motor on upper axis; 1 motor on lower axis |
| -M2 | 2 motors on upper axis; 1 motor on lower axis |
| -M3 | 1 motor on upper axis; 2 motors on lower axis |
| -M4 | 2 motor on upper axis; 2 motors on lower axis |
Feedback (Required)
| Option | Description |
| -E1 | Incremental encoders, 1 Vpp on upper and lower axes |
| -E2 | Incremental encoders, 0.1 µm Digital RS422 on upper axis, 1 Vpp on lower axis |
| -E3 | Incremental encoders, 1 Vpp on upper axis, 0.1 µm Digital RS422 on lower axis |
| -E4 | Incremental encoders, 0.1 µm Digital RS422 on upper and lower axes |
Cable Mangagement (Optional)
| Option | Description |
| -CMS1 | Cable management for air/vacuum line |
| -CMS2 | Cable management for air/vacuum line and 3rd axis motor/feedback |
Performance Grade (Required)
| Option | Description |
| -PL1 | Base performance |
| -PL3 | High-accuracy performance, PLUS |
| -PL4 | Ultra-high accuracy 2D performance, ULTRA |
- -PL3 and -PL4 performance grades require Aerotech controller.
Integration (Required)
Aerotech offers both standard and custom integration services to help you get your system fully operational as quickly as possible. The following standard integration options are available for this system. Please consult Aerotech if you are unsure what level of integration is required, or if you desire custom integration support with your system.
| Option | Description |
| -TAS | Integration - Test as system Testing, integration, and documentation of a group of components as a complete system that will be used together (ex: drive, controller, and stage). This includes parameter file generation, system tuning, and documentation of the system configuration. |
| -TAC | Integration - Test as components Testing and integration of individual items as discrete components that ship together. This is typically used for spare parts, replacement parts, or items that will not be used together. These components may or may not be part of a larger system. |





