ALAR-XP-Drehtische mit großer Apertur
Die ALAR-Familie direkt angetriebener Drehtische mit großer Öffnung bietet eine hervorragende Winkelpositionierung und Geschwindigkeitssteuerung. ALAR-XP bietet ein extrem hohes Drehmoment, eine hohe Belastbarkeit und eine gleichmäßige, präzise Rotation.
Description
Specifications
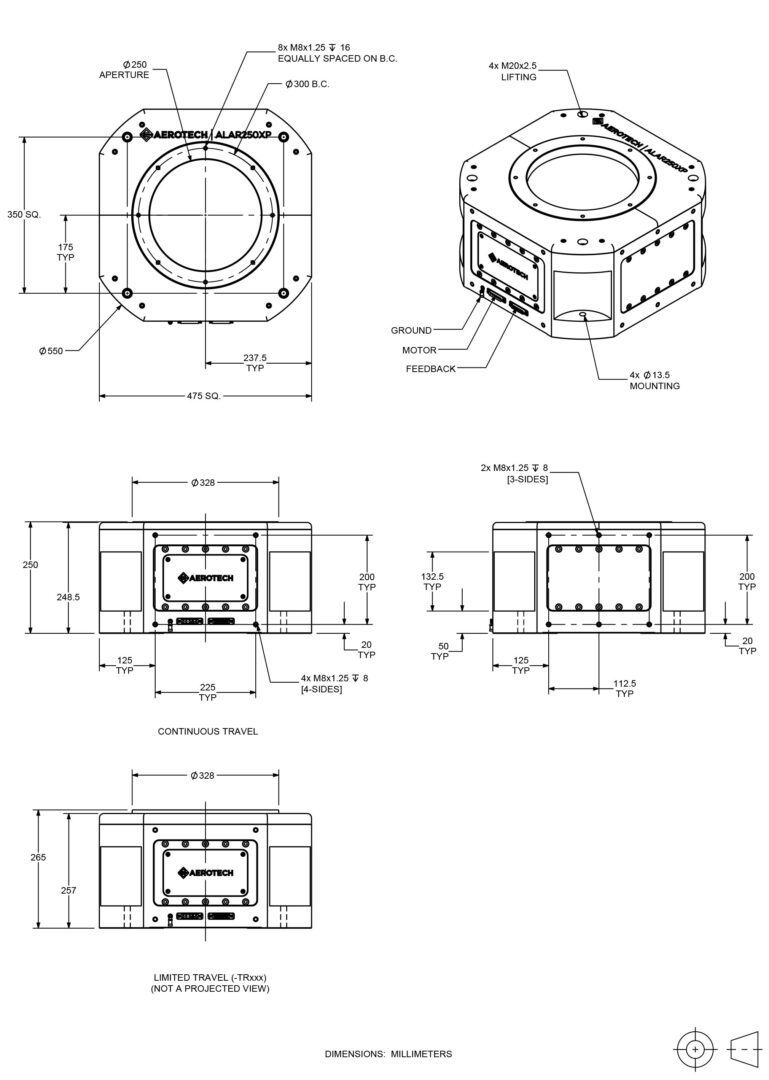
Dimensions
Ordering Info
Downloads
Description
Description
Specifications
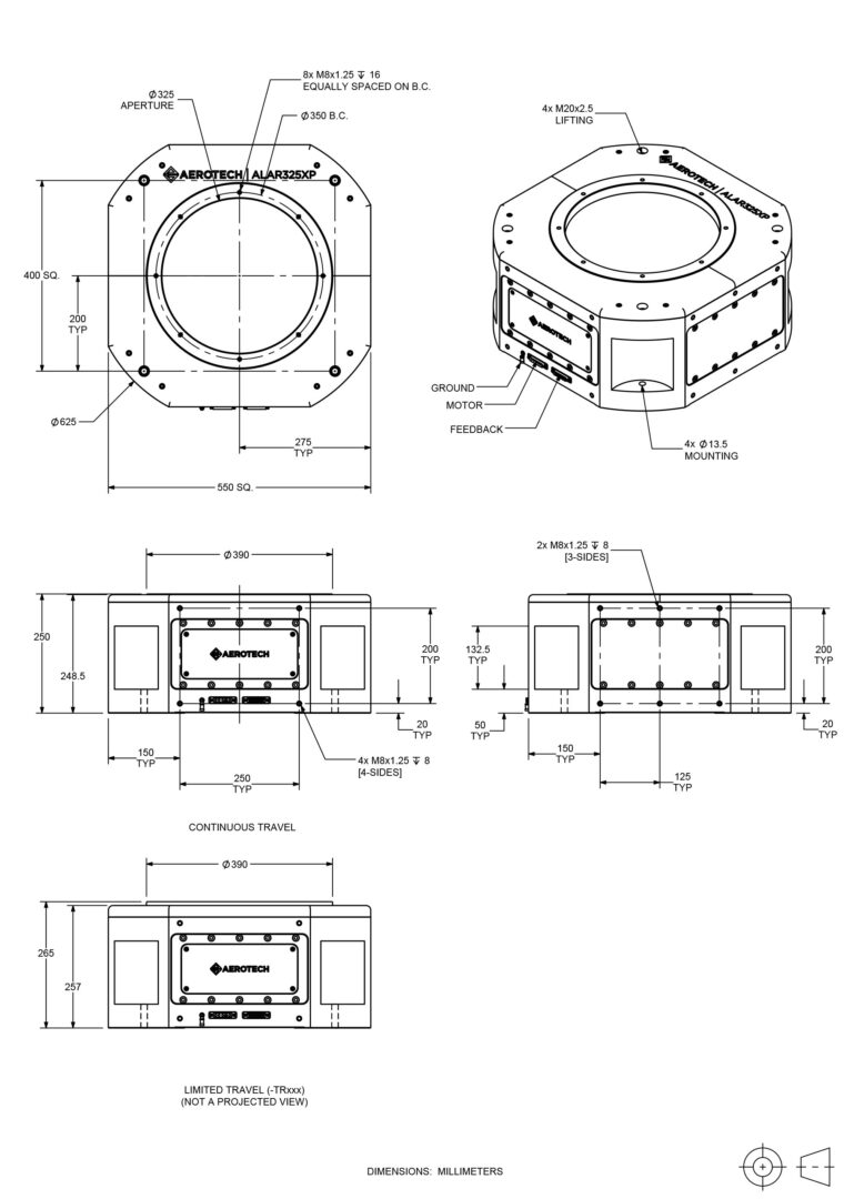
Dimensions
Ordering Info
Downloads
Description
Gestaltungsmerkmale
- Hohes Ausgangsdrehmoment bis zu 1100 N-m
- Exzellente Genauigkeit, Wiederholbarkeit und minimale inkrementelle Bewegung
- Klare Aperturdurchmesser von 250 mm oder 325 mm
- Direkt angetriebener Torquemotor liefert extrem präzise, gleichmäßige, zahnradfreie Rotation
- Lange Lebensdauer und konstante Leistung über die Zeit
- Hohe Axial-, Radial- und Momentbelastbarkeit unterstützen große Nutzlasten und kardanische Konfigurationen
- Einfache Integration in mehrachsige Systeme und Maschinen
- Inkremental- und Absolutwertgeber-Optionen tragen zu einer hervorragenden Genauigkeit und Wiederholbarkeit bei
Vorteil: ALAR
ALAR-XP bietet zahlreiche Vorteile gegenüber Verstellern mit Schneckenantrieb. Da ALAR-Tische direkt angetriebene Torque-Motoren verwenden, sind sie frei von Spiel, Vibrationen und übermäßigem Verschleiß, wie sie bei getriebegetriebenen Tischen üblich sind, und sie sind außerdem in der Lage, viel höhere Geschwindigkeiten und Beschleunigungen zu erreichen. Diese Vorteile führen zu einer höheren Systemgenauigkeit, Wiederholbarkeit und Langlebigkeit sowie zu einem höheren Durchsatz. Anwender können mehr Teile in kürzerer Zeit präziser fertigen, prüfen oder bearbeiten, was zu niedrigeren Betriebskosten und höheren Gewinnen führt.
Bürstenlose, nutenlose Direktantriebsmotoren
Aerotechs bürstenlose, direktangetriebene Motoren sind in allen ALAR-Tischen zu finden. Da weder Bürsten verschleißen noch Getriebe oder Kupplungen gewartet werden müssen, sind ALAR-Tische in der Lage, hohe Geschwindigkeiten und Beschleunigungen zu erreichen, sowie eine konstante, stabile Leistung über die Zeit ohne Spiel, Aufwickeln oder Hysterese. Darüber hinaus sind ALAR-Motoren sowohl nuten- als auch eisenlos, wodurch Rastmomente und Drehmomentwelligkeit eliminiert werden und eine außergewöhnlich gleichmäßige Bewegung ermöglicht wird. ALAR-Tische sind ideal für Anwendungen, die eine hervorragende konturierte Bewegung, sanfte Abtastgeschwindigkeiten und präzise Inkrementalschritte erfordern.
>Extremes Drehmoment, präzise Rotation
Die ALAR-XP-Motoren basieren auf der leistungsstarken BLMX-Serie von Aerotech, die die höchste Kraftabgabe aller handelsüblichen bürstenlosen, nutenlosen und eisenlosen Motoren liefert. Herkömmliche Lösungen für hohe Drehmomente beinhalten in der Regel entweder Getriebe oder geschlitzte, eisenbehaftete Motoren, die beide nachteilig für das Erreichen einer hochpräzisen Positionier- und Geschwindigkeitsleistung sind. Der ALAR-XP ist ein entscheidender Fortschritt, denn er ermöglicht es dem Anwender, ein hohes Drehmoment zu erreichen, ohne die Qualität der Bewegung zu beeinträchtigen. Der Systementwickler muss nicht mehr zwischen Drehmoment und Präzision abwägen.>Flexible Konfigurationen für vereinfachte Integration
Der ALAR-XP wird mit Funktionen und Optionen angeboten, die eine einfache Integration in mehrachsige Bewegungssysteme und Subsysteme ermöglichen. Er ist mit einem lichten Öffnungsdurchmesser von 250 mm oder 325 mm erhältlich und verfügt über eine Vielzahl von Feedback-Optionen, darunter analoge 1-Vpp-, digitale RS422- und absolute Encoder. Ein kontinuierlicher Verfahrweg von 360 Grad ist Standard, wobei Optionen für einen begrenzten Verfahrweg von 10 Grad bis 340 Grad erhältlich sind. Für jedes Modell gibt es zwei Motoroptionen, je nach benötigtem Drehmoment. ALAR-XP-Tische können sogar für den Einsatz in Vakuumumgebungen angepasst werden.
>Anwendungen
Zu den häufigsten Anwendungen für ALAR-XP-Tische gehören ein- und mehrachsige Sensortests, Tests von Raketensuchköpfen, Antennentests, Tests von Trägheitsnavigationsgeräten, Ausrichten und Testen von Optoelektronik sowie hochpräzise Laserbearbeitung. ALAR-XP-Tische können auch als mehrachsige Kardanringe konfiguriert werden. Der große Durchmesser der lichten Öffnung und der leistungsstarke Direktantriebsmotor machen ALAR-XP zu einer leistungsfähigeren Alternative zu herkömmlichen Schneckengetriebetischen oder sogar Direktantriebstischen mit geschlitzten Eisenkernmotoren, insbesondere für Anwendungen, die sowohl eine hohe Drehmomentabgabe als auch eine hochpräzise Bewegung erfordern.
Ordering Information
ALAR-XP Large-Aperature Rotary Stage
| Option | Description |
| ALAR250XP | Mechanical-bearing, direct-drive rotary stage, high torque, 250 mm aperture |
| ALAR325XP | Mechanical-bearing, direct-drive rotary stage, high torque, 325 mm aperture |
Motor (Required)
| Option | Description |
| -M1 | Standard motor |
| -M2 | High-power motor |
Travel (Required)
| Option | Description |
| Continuous travel (standard) | |
| -TR010 | Limited travel, ±5 degrees |
| -TR020 | Limited travel, ±10 degrees |
| -TR030 | Limited travel, ±15 degrees |
| -TR060 | Limited travel, ±30 degrees |
| -TR090 | Limited travel, ±45 degrees |
| -TR120 | Limited travel, ±60 degrees |
| -TR180 | Limited travel, ±90 degrees |
| -TR240 | Limited travel, ±120 degrees |
| -TR300 | Limited travel, ±150 degrees |
| -TR340 | Limited travel, ±170 degrees |
Feedback (Required)
| Option | Description |
| -E1 | Incremental encoder, 1 Vpp |
| -E6 | Incremental encoder, digital RS422, x200 interpolation |
| -E7 | Absolute encoder |
Integration (Required)
Aerotech offers both standard and custom integration services to help you get your system fully operational as quickly as possible. The following standard integration options are available for this system. Please consult Aerotech if you are unsure what level of integration is required, or if you desire custom integration support with your system.
| Option | Description |
| -TAS | Integration - Test as system
Testing, integration, and documentation of a group of components as a complete system that will be used together (ex: drive, controller, and stage). This includes parameter file generation, system tuning, and documentation of the system configuration. |
| -TAC | Integration - Test as components
Testing and integration of individual items as discrete components that ship together. This is typically used for spare parts, replacement parts, or items that will not be used together. These components may or may not be part of a larger system. |

