AGR Drehtisch mit Getriebe
Die motorisierten, zahnradgetriebenen Drehtische der AGR-Serie bieten gegenüber anderen zahnradgetriebenen Drehtischen erhebliche Vorteile in Bezug auf Belastbarkeit, langfristige Positionierleistung und Zuverlässigkeit. Die Tische der AGR-Serie eignen sich für eine Vielzahl von Anwendungen zur allgemeinen Positionierung in Industrie und Labor.
Description
Specifications
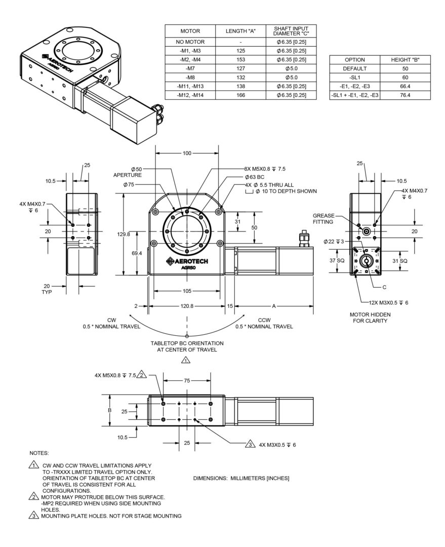
Dimensions
Ordering Info
Downloads
Description
Description
Specifications
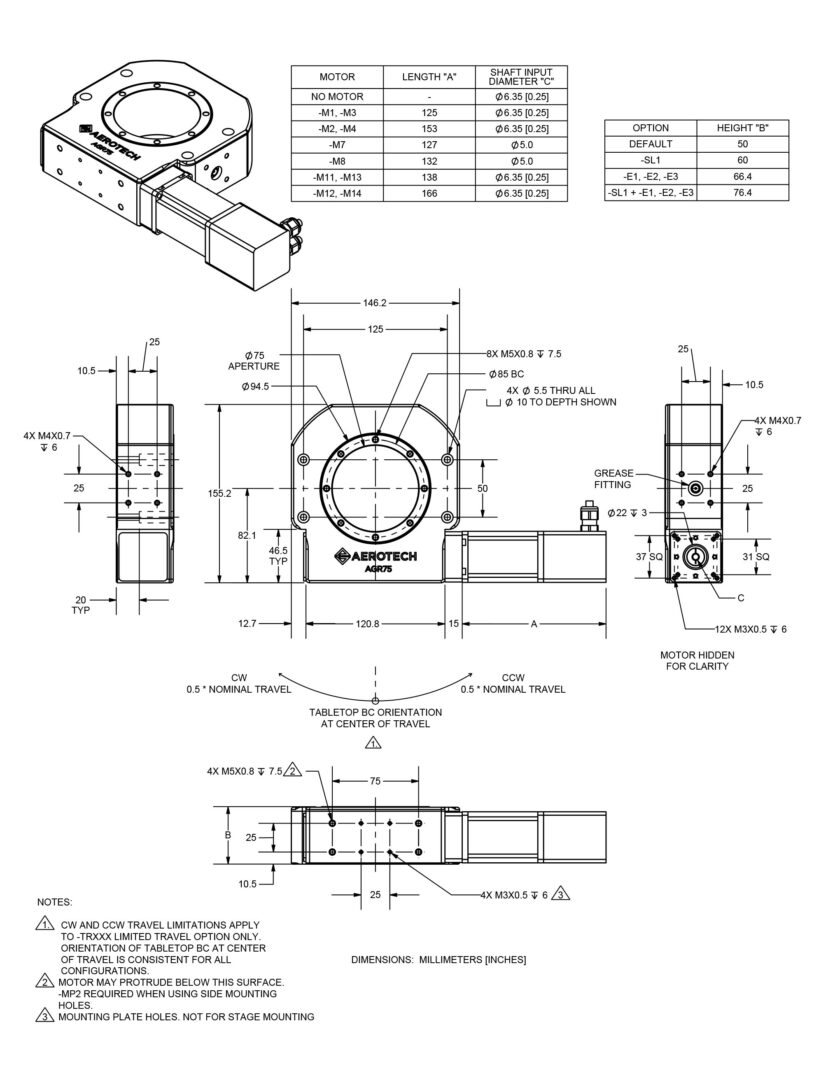
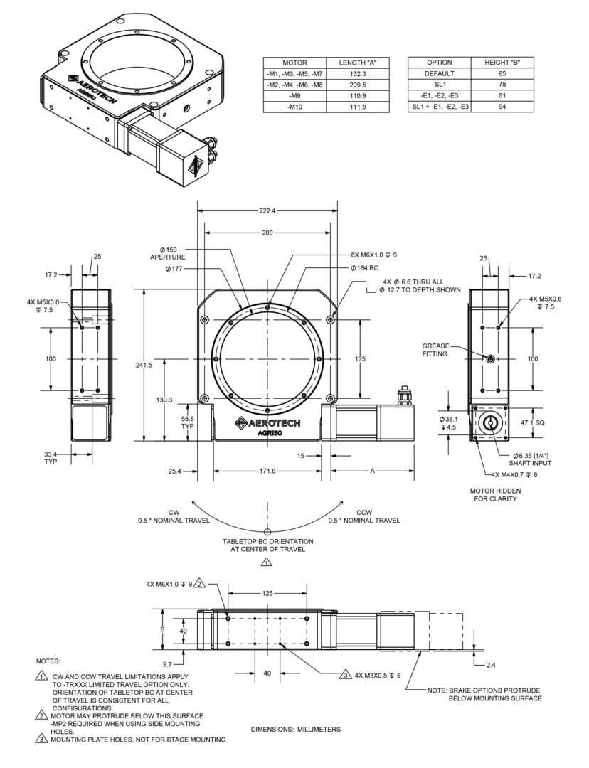
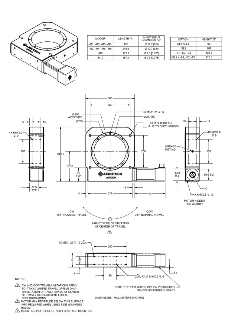
Dimensions
Ordering Info
Downloads
Description
Gestaltungsmerkmale
- Verbesserte Geschwindigkeit und Tragfähigkeit
- Große Öffnung für ein breites Spektrum von Anwendungen
- Kontinuierliche 360-Grad-Drehpositionierung
- Direkte Encoder-Optionen verfügbar
Konstruktionsmerkmale
Das Vorhandensein einer großen, klaren Öffnung im Tisch ermöglicht es der AGR-Serie, Anwendungen zu adressieren, die eine Durchgangsbohrung oder Unterbringungen für die Montage einer Optik erfordern, einschließlich der Artikulation von Strahlpolarisationslinsen, Durchgangsbohrungen für Kabel und/oder Luftleitungen oder Vision/Kamera/Inspektionsanwendungen.
Der AGR-Tischsockel ist aus einer Aluminiumlegierung gefertigt, die bei mehrachsigen Anordnungen und anderen gewichtskritischen Anwendungen erhebliche Gewichtseinsparungen ermöglicht und gleichzeitig eine hohe strukturelle Steifigkeit und Langzeitstabilität bietet.
Jeder Tisch ist mit zwei hochpräzisen Schrägkugellagern mit optimalem Abstand ausgestattet, um exzellente Fehlerbewegungen gepaart mit hohen Tragfähigkeiten in einem kleinen, kompakten Paket zu bieten.
Flexible Optionen
Zu den Optionen gehören eine flexible Motorauswahl sowie ein direkt an der Verstellerwelle montierter Encoder für eine hervorragende Wiederholgenauigkeit und zur weitgehenden Eliminierung von Hysterese und Umkehrspiel. Vakuum-kompatible Versionen (für den Einsatz bei Drücken bis zu 10-6 Torr) sind ebenfalls erhältlich.
Motor und Antriebe
Die Standardkonfigurationen der AGR-Tische sind mit den bürstenlosen Servomotoren von Aerotech ausgestattet. Alle AGR-Tische können jedoch auch mit Schrittmotoren oder DC-Bürstenmotoren ausgestattet werden. Ein komplettes Sortiment an passenden Antrieben und Steuerungen ist für eine komplette Lösung aus einer Hand erhältlich.
Ordering Information
AGR Series Gear-Driven Rotray Stages
Model (Required)
| Option | Description |
| AGR50 | Gear-driven rotary stage, 50 mm diameter clear aperture |
| AGR75 | Gear-driven rotary stage, 75 mm diameter clear aperture |
| AGR100 | Gear-driven rotary stage, 100 mm diameter clear aperture |
| AGR150 | Gear-driven rotary stage, 150 mm diameter clear aperture |
| AGR200 | Gear-driven rotary stage, 200 mm diameter clear aperture |
Motor (Optional)
| Option | Description |
| -M5 | BM75 brushless servomotor and 2500-line TTL encoder (AGR100, AGR150) BM250 brushless servomotor and 2500-line TTL encoder (AGR200) |
| -M6 | BM75 brushless servomotor and 2500-line TTL encoder with brake (AGR100, AGR150) BM250 brushless servomotor and 2500-line TTL encoder with brake (AGR200) |
| -M7 | BM75 brushless servomotor and 1000-line 1 Vpp encoder (AGR100, AGR150) BM250 brushless servomotor and 1000-line 1 Vpp encoder (AGR200) |
| -M8 | BM75 brushless servomotor and 1000-line 1 Vpp encoder with brake (AGR100, AGR150) BM250 brushless servomotor and 1000-line 1 Vpp encoder with brake (AGR200) |
| -M11 | BM24 brushless servomotor and 2500-line TTL encoder (AGR50, AGR75) |
| -M12 | BM24 brushless servomotor and 2500-line TTL encoder with brake (AGR50, AGR75) |
| -M13 | BM24 brushless servomotor and 1000-line 1 Vpp encoder (AGR50, AGR75) |
| -M14 | BM24 brushless servomotor and 1000-line 1 Vpp encoder with brake (AGR50, AGR75) |
- Other motor options are available upon request. Contact Aerotech for more information.
Motor Location (Required)
| Option | Description |
| -ML1 | Motor located on right side of stage housing, standard (see diagram) |
- Other motor location and orientation options are available upon request. Contact Aerotech for more information.
Motor Orientation (Optional)
| Option | Description |
| -2 | Motor orientation 2 |
| -3 | Motor orientation 3, standard |
| -4 | Motor orientation 4 |
| -5 | Motor orientation 5 |
- See diagram for details.
Travel (Required)
| Option | Description |
| Continuous travel (standard) | |
| -TR015 | Limited travel, ±7.5 degrees |
| -TR030 | Limited travel, ±15 degrees |
| -TR045 | Limited travel, ±22.5degrees |
| -TR060 | Limited travel, ±30 degrees |
| -TR075 | Limited travel, ±37.5 degrees |
| -TR090 | Limited travel, ±45 degrees |
| -TR105 | Limited travel, ±52.5 degrees |
| -TR120 | Limited travel, ±60 degrees |
| -TR135 | Limited travel, ±67.5 degrees |
| -TR150 | Limited travel, ±75 degrees |
| -TR165 | Limited travel, ±82.5 degrees |
| -TR180 | Limited travel, ±90 degrees |
| -TR195 | Limited travel, ±97.5 degrees |
| -TR210 | Limited travel, ±105 degrees |
| -TR225 | Limited travel, ±112.5 degrees |
| -TR240 | Limited travel, ±120 degrees |
| -TR255 | Limited travel, ±127.5 degrees |
| -TR270 | Limited travel, ±135 degrees |
- -TRxxx limited travel options contain an extra 2 degrees of overtravel between the nominal travel and the electrical limit on each side (Ex: -TR270 contains ±135 degrees of nominal travel, with ±137 degrees of travel between electrical limits).
Limits (Required)
| Option | Description |
| -Ll1 | Normally-closed end-of-travel limited switch with 9-pin connector |
- Limits option is only available with limited-travel configurations. Other limit options are available upon request. Contact Aerotech for more information.
Direct Rotary Feedback (Optional)
| Option | Description |
| -E3 | Direct, square-wave TTL, output encoder, x50 multiplier |
- AGR stages configured with direct rotary feedback require calibration and therefore must include the -PL2 metrology option.
- Other direct rotary feedback options are available upon request. Contact Aerotech for more information.
Tabletop (Optional)
| Option | Description |
| -TT1 | Metric tabletop |
- Other tabletop options are available upon request. Contact Aerotech for more information.
Mounting Plate (Optional)
| Option | Description |
| -MP1 | Universal English/metric mounting plate |
| -MP2 | Metric Spacer Plate, Side Mounting Option |
Metrology (Required)
| Option | Description |
| -PL0 | No metrology performance plots |
| -PL1 | Metrology, uncalibrated with performance plots |
| -PL2 | Metrology, calibrated (HALAR) with performance plots |
Integration (Required)
Aerotech offers both standard and custom integration services to help you get your system fully operational as quickly as possible. The following standard integration options are available for this system. Please consult Aerotech if you are unsure what level of integration is required, or if you desire custom integration support with your system.
| Option | Description |
| -TAS | Integration - Test as system Testing, integration, and documentation of a group of components as a complete system that will be used together (ex: drive, controller, and stage). This includes parameter file generation, system tuning, and documentation of the system configuration. |
| -TAC | Integration - Test as components Testing and integration of individual items as discrete components that ship together. This is typically used for spare parts, replacement parts, or items that will not be used together. These components may or may not be part of a larger system. |










